13922952859

资料下载

当前位置: 首页 > 资料下载

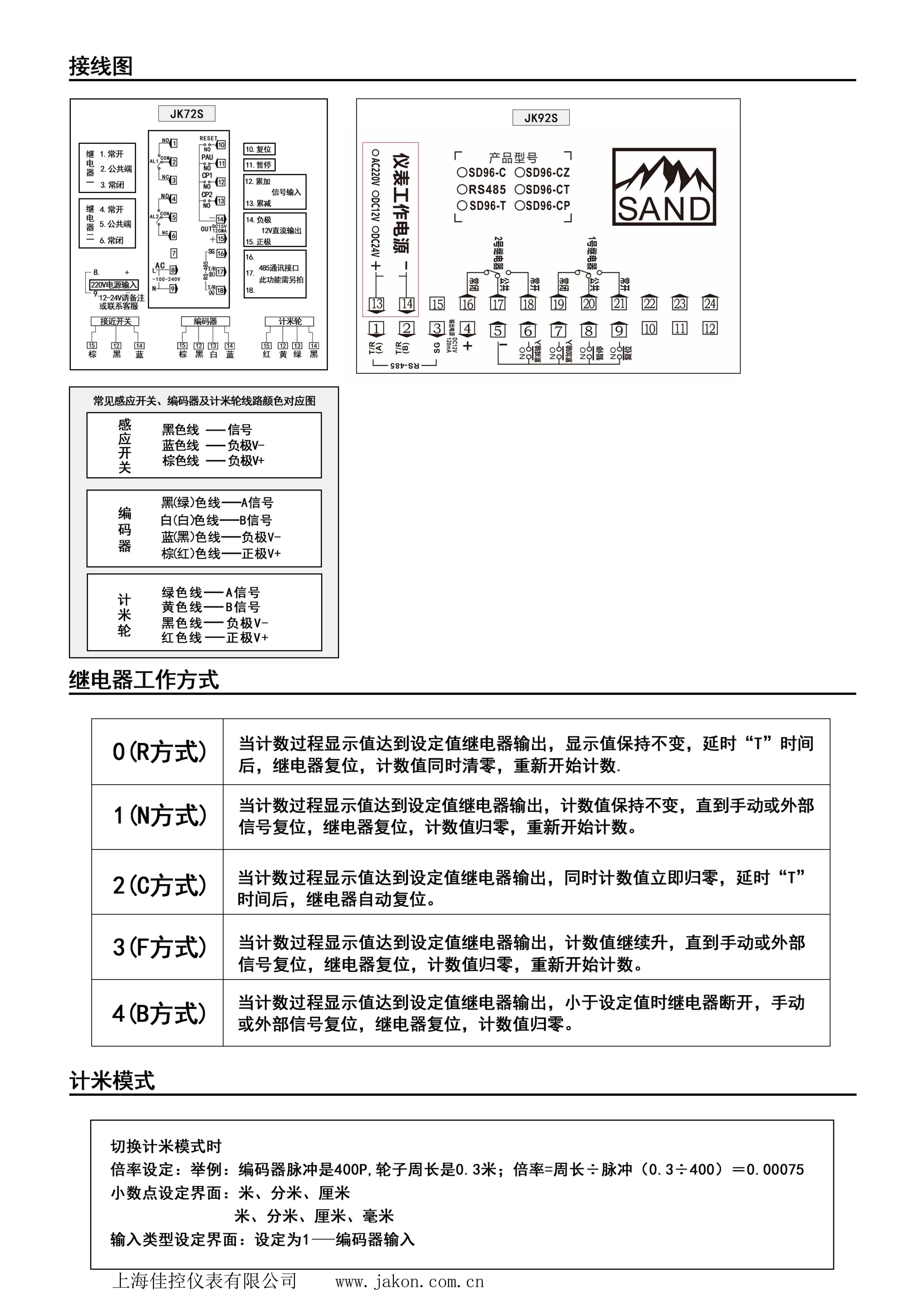
JK72S JK92S说明书

发布时间:2024-11-08点击次数:

JK72S

92S说明书_00.jpg

JK72S

92S说明书_01.jpg


全国服务热线:

13922952859

以品质赢得客户满意口碑
扫一扫
添加公司微信

Copyright © 2012-2026 东莞市新亿科电子有限公司 版权所有  粤ICP备2022002522号

关注

联系

13922952859

联系
顶部